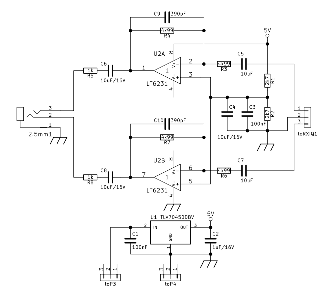
A mini writeup of an ill-conceived little project, adding a homemade option board to the Elecraft KX2 transceiver. Not all my projects are necessarily based on a good idea.  The below project is not something I wouldencourage anyone to do, it will certainly void any warranty on your shiny new KX2.  You have been warned J  Unlike the KX3, the KX2 does not have anaudio I/Q output for use by a Spectrum Scope or by external SDR software. However, this is actually rather easy to add,the signals are readily available, see: It is not advisable however to connect anexternal circuit directly to those outputs.  We certainly don't want to introduce hum or static to the signal path and any impedance mismatch introduced between the I and Q signals will trash the performance of the receiver, hence we need an isolationcircuit: (click on schematic to enlarge) No magic here, two unity gain amplifiers,in fact a somewhat similar circuit to the one used for the IQ output in theKX3.  C9 and C10 provide a gain rolloff forhigher frequencies than we are interested in. Initially I tried without C9 andC10, this resulted in an audible overdrive condition from time to time, presumably caused by a high frequency component present at the I and Q taps. This overdrive condition was especially notable when turning the VFO.  The 390pF capacitors however, provide a 6 dB cornerfrequency at approx. 80 kHz. This isprobably a tad bit more aggressive than necessary, but in any case, there isalready more rolloff present at the KX2 IQ outputs themselves.  More on this later.  Here is the new circuit, plugged into theoption slot of the KX2: (click on image to enlarge) Another angle: (click on image to enlarge) And here is the printed circuit board,rather miniscule J (click on image to enlarge) As I mentioned above, C9 and C10 were notincluded at first, here they are riding piggyback on top of R4 and R7.  Backside: (click on image to enlarge) As can be seen, the layout certainly has its share offlaws, I will not be making it available – so please don’t ask.  And here we have the new KX2 Audio IQoutput wired up to a computer running HDSDR, works like a charm. Notice the audio roll-off slope to the sides,appears to be close to 20 dB per 50 kHz, apparently the main contributor beingroll-off circuitry in the KX2, before feeding the AD inputs to the DSP. This is probably the reason Elecraft decidednot to provide an IQ output. I would love to see a schematic of the KX2. Anyway,even with this roll-off, it is still perfectly useable. (click on image to enlarge) Elecraft, get the hint? J  |






