A quick and dirty description of two magnetic loop builds
Here is a good magnetic loop calculator:Â
And here is one of the more comprehensive and decent writeups I have found on magnetic loops:Â
6 foot square loop (1.9m), 3/4 inch copper pipeÂ
(outer diameter of pipe is 7/8 inch (22.2mm))
Loop is less than 0.5 by 0.5 metres square:
(click on picture to enlarge)
The vacuum capacitor used is a EEV UC125/5/25, exact equivalent being Jennings CACAN-125-0005, 5-125pF at 5kV max.
Tuning range is 14 - 30 MHz, efficiency is approx 20 - 25% relative to isotrope at 14 MHz.
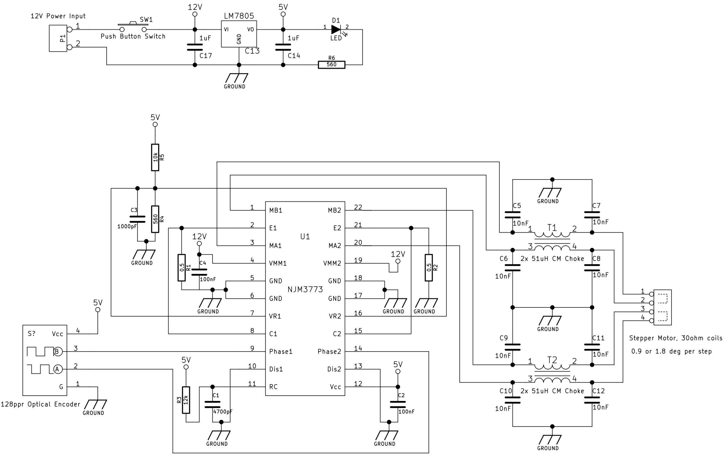
The capacitor, which is 22 turns from 5 to 125pF, is turned by means of a .9 degree per step stepper motor. In order to protect the capacitor from being tuned beyond the max/min end stops, note that you do not want more current feed to the stepper motor than absolutely necessary to turn the capacitor.
A 3 inch PVC pipe with an end cap is used to house the stepper motor and control circuit:
(click on picture to enlarge)
This is the stepper motor control circuit. Â A simple push switch to activate and a 128 ppr optical encoder to tune:
(click on picture to enlarge)
12 foot square loop (3.9m), 3/4 inch copper pipeÂ
(outer diameter of pipe is 7/8 inch (22.2mm))
Loop is approximately 1 meter by 1 meter square:
(click on picture to enlarge)
Same type of capacitor is used as with the previous loop, however this time the slightly more advanced loop controller is kept separate from the antenna.
Tuning range is 10 - 29.7 MHz, efficiency is a very decent 75% relative to isotrope at 14 MHz. Â Comparison of this antenna with a full size vertical antenna at 14 MHz provides no clear impression of which antenna is better.
A loop like this has negligible directivity. Â However it has deep nulls to the broadside. Â Hence it is mounted on a cheap TV rotator:
(click on picture to enlarge)
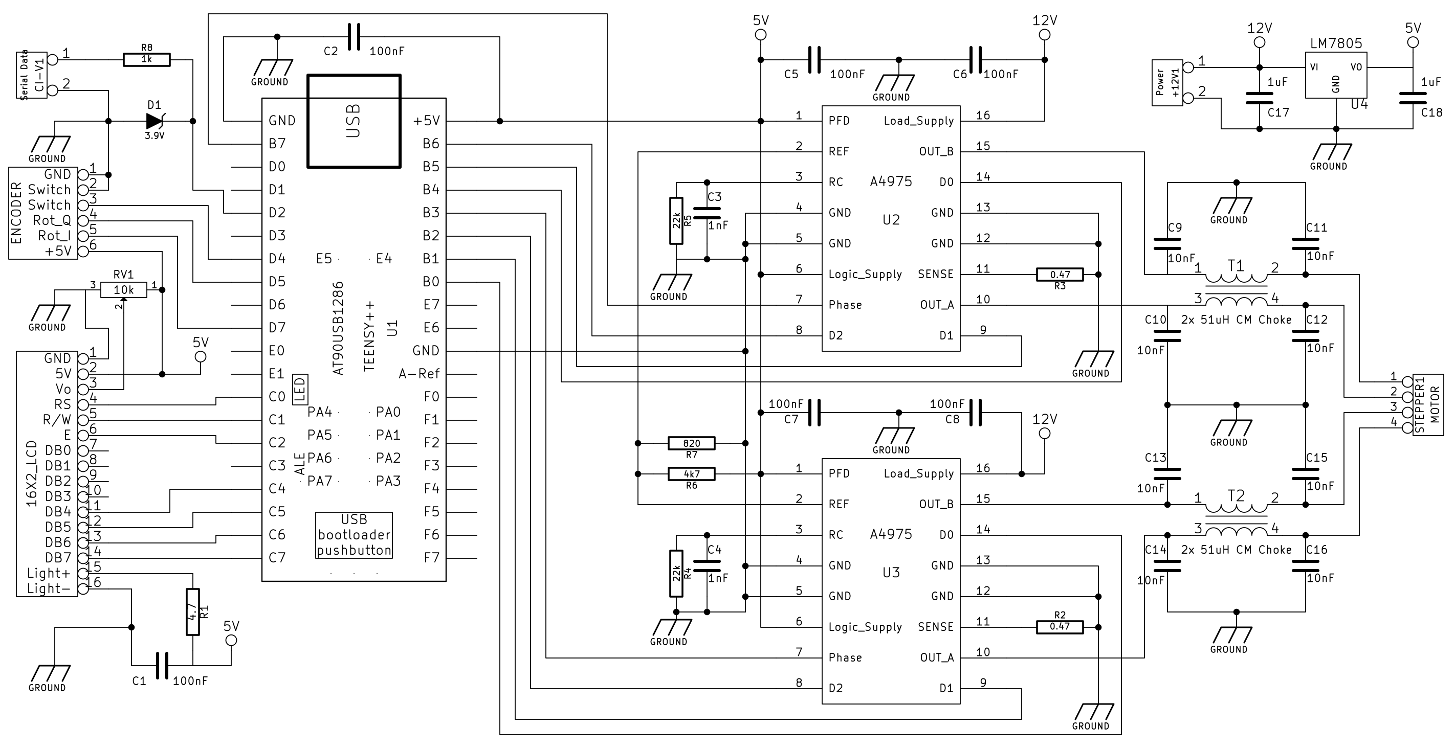
The most irritating aspect of a Magnetic Loop antenna is how narrow band and selective it is. Â If you tune your transceiver a few kHz, you have to retune the antenna as well. Â To overcome this, I built a microcontroller application to autotune the antenna, using the C-IV output (ICOM format) from my transceiver. Â The Microcontroller solution is calibrated through a simple Menu application similar to those I use with other recent microcontroller projects described on this website. Â 30 calibration points across 10 to 29.7 MHz. Â Some realignment is needed from time to time (a simple turn and click operation), but otherwise this makes the antenna track the transceiver quite nicely.
(click on picture to enlarge)
Whoops, the diagram indicates a 16x2 LCD.  I used a 20x4 LCD, although the output could just as easily be fitted onto a 16x2.  Anyway, the two Allegro A4975 ICs are the Stepper Motor Drivers, providing microsteps of 1/8th of a step.  With a 1.8 degree stepper motor ("Nema 17" variety purchased on eBay, 30 ohm coils), this provides for 1600 steps per revolution (approx  0.2 degrees per step).  When used with a 22 turn capacitor, this gives a fairly decent tuning resolution.
The Microcontroller, all boxed up, looks like this:Â
(in case you're wondering, the common mode chokes are mounted on the underside of the printed circuit board :-)
(click on picture to enlarge)
(click on picture to enlarge)
Note that the Magnetic Loop Controller hardware and firmware has now been improved and updated. Â See this webpage:
